Product Summary
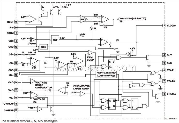
The UC3909 family of Switchmode Lead-Acid Battery Chargers accuratelycontrols lead acid battery charging with a highly efficient average currentmode control loop. This chip combines charge state logic with average cur-rent PWM control circuitry. Charge state logic commands current or voltagecontrol depending on the charge state. The chip includes undervoltagelockout circuitry to insure sufficient supply voltage is present before outputswitching starts. Additional circuit blocks include a differential current senseamplifier, a 1.5% voltage reference, a –3.9mV/°C thermistor linearizationcircuit, voltage and current error amplifiers, a PWM oscillator, a PWM com-parator, a PWM latch, charge state decode bits, and a 100mA open collec-tor output driver
Parametrics
Specifications of UC3909N
Battery Type Lead Acid Input Voltage 40V
Charge Current Max 2A Battery Ic Case Style DIP
No. Of Pins 20 Operating Temperature Range 0?°C To +70?°C
Operating Temperature Max 70?°C Operating RoHS Compliant
Base Number 3909 Rohs Compliant Yes
Features
FEATURESAccurate and Efficient Control ofBattery ChargingAverage Current Mode Control fromTrickle to OverchargeResistor Programmable ChargeCurrentsThermistor Interface Tracks BatteryRequirements Over TemperatureOutput Status Bits Report on FourInternal Charge StatesUndervoltage Lockout Monitors VCCand VREF
Diagrams

| Image | Part No | Mfg | Description | ![]() |
Pricing (USD) |
Quantity | ||||||||||||
|---|---|---|---|---|---|---|---|---|---|---|---|---|---|---|---|---|---|---|
![]() |
![]() UC3909N |
![]() Texas Instruments |
![]() Battery Management Switchmode Charge Management IC |
![]() Data Sheet |
![]()
|
|
||||||||||||
![]() |
![]() UC3909NG4 |
![]() Texas Instruments |
![]() Battery Management Switchmode Charge Management IC |
![]() Data Sheet |
![]()
|
|
||||||||||||
(China (Mainland))









