Product Summary
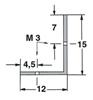
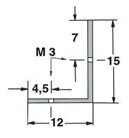
MOUNTING BRACKET, STEEL, ENCLOSURES For Use With: Enclosures Enclosure Material: Steel External Height - Imperial: 0.433" External Width - Imperial: 0.276" External Width: 7mm Overall Length: 10mm Spacer Material: Brass RoHS Compliant: Yes
(China (Mainland))






