Product Summary
Secure Digital(SD)TMMultiMediaCard(MMC)TM1xD-Picture Card(xD)TM?Memory Stick(MS)The USB2640i/USB2641i is a fully integrated,
Parametrics
Highlights
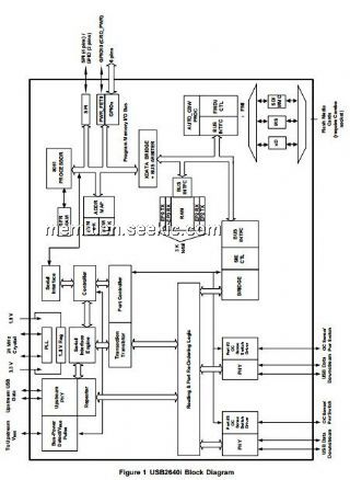
Hub controller with internally connected ultra fastflash media reader/writer and 2 exposed downstreamports for external peripheral expansionFlash media reader/writer employs multiplexed cardinterfaces which are optimized for use with singlecard insertion combo socketsHardware-controlled data flow architecture for all self-mapped mediaOptional support for external firmware access via SPIinterfacePortMap? Flexible port mapping and port disable sequencingsupports multiple platform designsPortSwap? Programmable USB differential-pair pin locations easesPCB design by aligning USB signal traces directly toconnectorsPHYBoost? Programmable USB transceiver drive strength recoverssignal integrity
Features
Applications
Desktop and mobile PCsPersonal mobile devicesPrintersGPS navigation systemsMedia Players/ViewersConsumer A/VSet-top boxesIndustrial products
Features
Compliant with the following flash media cardspecifications: SD 2.0 / MMC 4.2 / MS 1.43 / MS-Pro1.02 / MS-PRO-HG 1.01 / MS-Duo 1.10 / xD 1.2Supports a single external 3.3 V supply source;internal regulators provide 1.8 V internal core voltagefor additional bill of materials and power savingsThe transaction translator (TT) in the hub supportsoperation of Full-Speed and Low-Speed peripherals9 K RAM | 64 K on-chip ROMEnhanced EMI rejection and ESD protectionperformanceOn board 24 MHz crystal driver circuitOptional external 24 MHz clock inputUp to 9 GPIOs for special functions2.8051 8-bit microprocessorHub and flash media reader/writer configuration froma single source: External IROM? Configures internal code using an external IEEPROM? Supports external code using a SPI Flash EEPROM? Customizable vendor ID, product ID, language IDEEPROM update via USB48-pin QFN lead-free, RoHS compliant package (7x7mm)The SMSC USB2640i/USB2641i supports theindustrial temperature range of -40°C to 85°C
| Image | Part No | Mfg | Description | ![]() |
Pricing (USD) |
Quantity | ||||||
|---|---|---|---|---|---|---|---|---|---|---|---|---|
![]() |
![]() USB2641I-HZH-02 |
![]() SMSC |
![]() USB Interface IC USB 2.0 FMC HubCombo Industrial Temp |
![]() Data Sheet |
![]()
|
|
||||||
| Image | Part No | Mfg | Description | ![]() |
Pricing (USD) |
Quantity | ||||||
![]() |
![]() USB2005 |
![]() Other |
![]() |
![]() Data Sheet |
![]() Negotiable |
|
||||||
![]() |
![]() USB2005-MV-01 |
![]() SMSC |
![]() Interface - Specialized USB 2.0 Peripheral Cntlr |
![]() Data Sheet |
![]() Negotiable |
|
||||||
![]() |
![]() USB208 |
![]() Other |
![]() |
![]() Data Sheet |
![]() Negotiable |
|
||||||
![]() |
![]() USB2223-03 |
![]() Other |
![]() |
![]() Data Sheet |
![]() Negotiable |
|
||||||
![]() |
![]() USB2223-NU-02 |
![]() |
![]() IC CTRLR USB FLASH/CIR 128-TQFP |
![]() Data Sheet |
![]() Negotiable |
|
||||||
![]() |
![]() USB2224 |
![]() Other |
![]() |
![]() Data Sheet |
![]() Negotiable |
|
||||||
(China (Mainland))









