Product Summary
Mobile Low Power Mixer ModeDigital Audio Mixer Mode DSP 16-Bit Serial Port Format, Slot 16 Mode Supports All Required WHQL Sample Rates Full Duplex Variable 7 kHz to 48 kHz Sampling Rate with 1 Hz Resolution Phat? Stereo 3D Stereo Enhancement Split Power Supplies (3.3 V Digital/5 V Analog) Extended 6-Bit Master Volume Control Audio Amp Power-Down Signal
Parametrics
Specifications of AD1881JST
Lead Free Status / Rohs Status Supplier Unconfirmed
Features
AC ’97 2.1 FEATURESVariable Sample RateTrue Line-Level OutputAC ’97 FEATURESFully Compliant AC ’97 Analog I/O Component48-Lead LQFP PackageMultibitConverter Architecture for ImprovedS/N Ratio greater than 90 dB16-Bit Stereo Full-Duplex CodecFour Analog Line-Level Stereo Inputs for Connectionfrom LINE, CD, VIDEO and AUXTwo Analog Line-Level Mono Inputs for Speakerphoneand PC BEEPMono MIC Input Switchable from Two ExternalSourcesHigh Quality CD Input with Ground SenseStereo Line-Level OutputMono Output for Speakerphone or Internal SpeakerPower Management Support
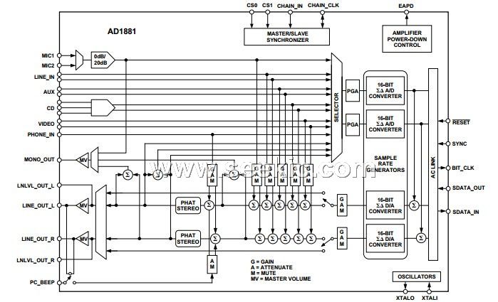
Diagrams

(China (Mainland))






