Product Summary
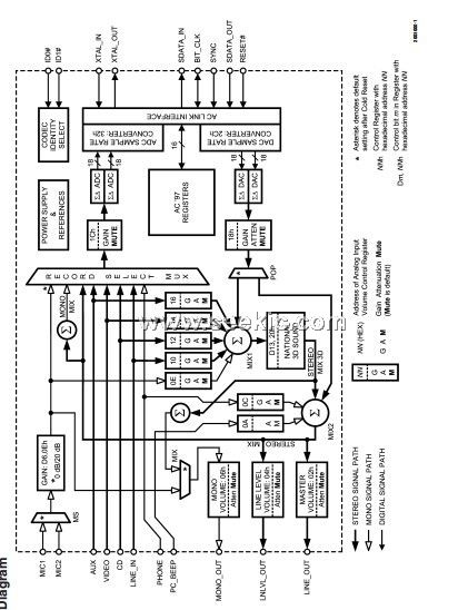
The LM4548A is an audio codec for PC systems which isfully PC98 compliant and performs the analog intensivefunctions of the AC ’97 Rev 2 architecture. Using 18-bitSigma-Delta ADCs and DACs, the LM4548A provides 90 dBof Dynamic Range.The LM4548A was designed specifically to provide a highquality audio path and provide all analog functionality in a PCaudio system. It features full duplex stereo ADCs and DACsand analog mixers with access to 4 stereo and 4 monoinputs. Each mixer input has separate gain, attenuation andmute control and the mixers drive 1 mono and 2 stereooutputs, each with attenuation and mute control. TheLM4548A supports National’s 3D Sound stereo enhance-ment and a comprehensive sample rate conversion capabil-ity. The sample rate for the ADCs and DACs can be pro-grammed separately with a resolution of 1 Hz to convert anyrate in the range 4 kHz – 48 kHz. Sample timing from theADCs and sample request timing for the DACs are com-pletely deterministic to ease task scheduling and applicationsoftware development. These features together with an ex-tended temperature range also make the LM4548A suitablefor non-PC codec applications
Parametrics
Specifications of LM4548AVH
Single Supply Voltage (typ) 3.3/5V Single Supply Voltage (min) 3/4.2V
Single Supply Voltage (max) 5.5V Package Type LQFP
Lead Free Status / RoHS Status Not Compliant
Features
Featuresn AC ’97 Rev 2 compliantn High quality Sample Rate Conversion from 4 kHz to 48kHz in 1 Hz incrementsn Multiple codec supportn True Line Level Output with separate gain controln National’s 3D Sound stereo enhancement circuitryn Advanced power management support n Digital 3.3V and 5V supply options n Extended Temperature: ?40?C ≤ T
Diagrams

(China (Mainland))






