Product Summary
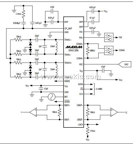
The MAX2306/MAX2308/MAX2309 are IF receiversdesigned for dual-band, dual-mode, and single-modeN-CDMA and W-CDMA cellular phone systems. Thesignal path consists of a variable-gain amplifier (VGA)and I/Q demodulator. The devices feature guaranteed+2.7V operation, a gain control range of over 110dB,and high input IP3 (-31dBm at 35dB gain, 3.4dBm at-35dB gain).Unlike similar devices, the MAX2306 family of receiversincludes dual oscillators and synthesizers to form aself-contained IF subsystem. The synthesizer’s refer-ence and RF dividers are fully programmable through a3-wire serial bus, enabling dual-band system architec-tures using any common reference and IF frequency.The differential baseband outputs have enough band-width to suit both N-CDMA and W-CDMA systems, andoffer saturated output levels of 2.7Vp-p at a low +2.75Vsupply voltage. Including the low-noise voltage-con-trolled oscillator (VCO) and synthesizer, the MAX2306draws only 26mA from a +2.75V supply in CDMA (dif-ferential IF) mode.The MAX2306/MAX2308/MAX2309 are available in 28-pin Thin QFN and QFN packages.
Parametrics
Specifications of MAX2309EGI-T
Interface Type 3-Wire Programmable interface Maximum Power Dissipation 2 W
Modulation Type Quadrature Operating Supply Voltage 2.7 V to 3.6 V
Operating Temperature Range - 40 C to + 85 C Output Power -13.7 dBm
Supply Current 41.5 mA
Features
Complete IF Subsystem Includes VCO andSynthesizer? Supports Dual-Band, Triple-Mode Operation? VGA with >110dB Gain Control? Quadrature Demodulator ? High Output Level (2.7V) ? Programmable Charge-Pump Current ? Supports Any IF Frequency Between 40MHz and 300MHz ? 3-Wire Programmable Interface ? Low Supply Voltage (+2.7V)
Diagrams

| Image | Part No | Mfg | Description | ![]() |
Pricing (USD) |
Quantity | ||||||
|---|---|---|---|---|---|---|---|---|---|---|---|---|
![]() |
![]() MAX2309EGI-T |
![]() Maxim Integrated Products |
![]() Modulator / Demodulator |
![]() Data Sheet |
![]() Negotiable |
|
||||||
| Image | Part No | Mfg | Description | ![]() |
Pricing (USD) |
Quantity | ||||||
![]() |
![]() MAX20 |
![]() |
![]() MAX CLIP |
![]() Data Sheet |
![]()
|
|
||||||
![]() |
![]() MAX200 |
![]() Other |
![]() |
![]() Data Sheet |
![]() Negotiable |
|
||||||
![]() |
![]() MAX2003A |
![]() Other |
![]() |
![]() Data Sheet |
![]() Negotiable |
|
||||||
![]() |
![]() MAX2003AC/D |
![]() Other |
![]() |
![]() Data Sheet |
![]() Negotiable |
|
||||||
![]() |
![]() MAX2003ACPE |
![]() Other |
![]() |
![]() Data Sheet |
![]() Negotiable |
|
||||||
![]() |
![]() MAX2003ACSE |
![]() Other |
![]() |
![]() Data Sheet |
![]() Negotiable |
|
||||||
(China (Mainland))









