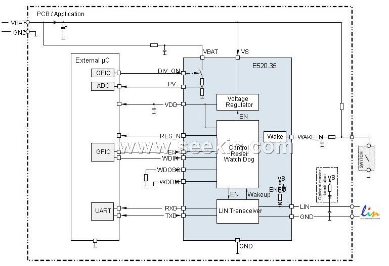
Product Summary
The LIN-SBC with voltage regulator provides aLIN tranceiver, the peripheral supply, resetgeneration for the μC and a watchdog.The LIN SBC can be switched into standby- andsleep-mode which provides very low current consumption. The device is capable to detect local and remote wake-up events to enable the voltage regulator. A flash mode provides higher datarate for end of line flashing
Parametrics
Specifications of E520.35B62AC
Rohs yes Operating Supply Voltage 5 V
Supply Current 10 mA Maximum Operating Temperature + 125 C
Package / Case QFN-20 Minimum Operating Temperature - 40 C
Mounting Style SMD/SMT
Features
featuresSystem basic chip (SBC) for LIN applicationsLIN transceiver V2.1, SAE-J2602, ISO9141Operating range 5V up to 28V, limited operatingrange 3.8V up to 40Vtyp. 10μA sleep current consumption3.3V or 5.0V 2% in active mode, 5% in standbyPeripheral Supply up to 100mAFlash modeTXD permanent low timeoutConfigurable μC window watchdogVery low bus leakage current in case of short toGND in sleep modeEdge triggered LIN remote wake-upVBAT 6:1 voltage dividerBUS pin ESD-protected > 8 kV IEC-61000-4-2
Diagrams

(China (Mainland))






