Product Summary
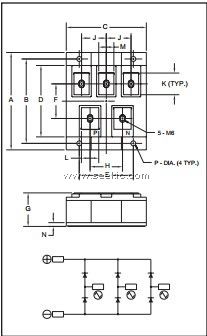
Description: Powerex Three-Phase Diode Bridge Modules are designed for use in three-phase bridge applica- tions. The modules are isolated consisting of six rectifier diodes
Parametrics
Specifications of ME601615
Voltage - Peak Reverse (max) 1600V Current - Dc Forward (if) 150A
Diode Type Three Phase Speed Standard Recovery >500ns, > 200mA (Io)
Mounting Type Chassis Mount Package / Case Module
No. Of Phases Three Repetitive Reverse Voltage Vrrm Max 1.6kV
Forward Current If(av) 150A Forward Voltage Vf Max 1.35V
Module Configuration Three Phase Inverter Forward Voltage 1.35V
Current Rating 150A Rohs Compliant Yes
Prx Availability RequestQuote Distributorinventory View
Style General Purpose Voltage 1600V
Current 150A Circuit Configuration 3-Phase Bridge
Lead Free Status / RoHS Status Lead free / RoHS Compliant Reverse Recovery Time (trr) -
Other names 835-1111
ME601615
Features
Features: Isolated Mounting Planar Chips Applications: Inverters DC Power Supplies AC Motor Control Front End
Diagrams

| Image | Part No | Mfg | Description | ![]() |
Pricing (USD) |
Quantity | ||||||||||||||||
|---|---|---|---|---|---|---|---|---|---|---|---|---|---|---|---|---|---|---|---|---|---|---|
![]() |
![]() ME601615 |
![]() |
![]() DIODE MOD 3PH BRDG 1600V 150A |
![]() Data Sheet |
![]()
|
|
||||||||||||||||
| Image | Part No | Mfg | Description | ![]() |
Pricing (USD) |
Quantity | ||||||||||||||||
![]() |
![]() ME600815 |
![]() |
![]() DIODE MOD 3PH BRDG 800V 150A |
![]() Data Sheet |
![]()
|
|
||||||||||||||||
![]() |
![]() ME601615 |
![]() |
![]() DIODE MOD 3PH BRDG 1600V 150A |
![]() Data Sheet |
![]()
|
|
||||||||||||||||
![]() |
![]() ME601215 |
![]() |
![]() DIODE MOD 3PH BRDG 1200V 150A |
![]() Data Sheet |
![]()
|
|
||||||||||||||||
(China (Mainland))










